Forum  M’enregistrer
* *

Nous sommes le Lun 13 Oct 2025 11:19

Heures au format UTC + 1 heure




Poster un nouveau sujet RĂ©pondre au sujet  [ 155 messages ]  Aller Ă  la page PrĂ©cĂ©dente  1, 2, 3, 4, 5, 6, 7, 8  Suivante
Auteur Message
 Sujet du message: Re: demande de conseils
MessagePostĂ©: Jeu 9 Jan 2014 13:29 
Hors ligne
Avatar de l’utilisateur

Inscription: Sam 12 Avr 2008 01:00
Messages: 387
Localisation: Indre-et-Loire
Roule au GPL: Toujours
Installateur GPL: Non
Comme l'a fait remarquer pbh, cela ressemble furieusement à un problème d'émulateur GPL.
C'est une maladie connue sur certains VSI Prins, c'est l'émulateur GPL qui délire et qui n'effectue plus le "by-pass" à l'essence.
Je pense que si on avait recalibré le GPL avec ce fonctionnement, le 806 aurait tourné rond au GPL mais serait resté en "3 pattes" à l'essence. :jap:

_________________
Toyota Prius 2 Sol Pack 2006 GPL (Prins VSI 2 + Flashlube) - Image
Améliorations antérieures : kit plug-in 4 kWh avec convertisseur 4 kW, puis kit plug-in 6 kWh en parallèle de la Ni-MH d'origine


Haut
 Profil  
 

 Annonces du forum GPL

 Sujet du message: Re: demande de conseils
MessagePostĂ©: Jeu 9 Jan 2014 18:25 
Hors ligne
Avatar de l’utilisateur

Inscription: Ven 15 Nov 2013 10:55
Messages: 95
Localisation: Gironde, près de Saint Emilion
Roule au GPL: Toujours
Installateur GPL: Non
Mon garagiste vient de m'appeler, le basculement de l'essence au GPL ne pose aucun problème, mais dans le sens inverse, les injecteurs essences restent muets, aucun problème de câblage, c'est donc l'émulateur qui commande le banc n°2 qui pose problème, et comme l'a écrit falcon dans le post précédent :

Comme l'a fait remarquer pbh, cela ressemble furieusement à un problème d'émulateur GPL.
C'est une maladie connue sur certains VSI Prins, c'est l'émulateur GPL qui délire et qui n'effectue plus le "by-pass" à l'essence.

Donc, l'émulateur en question ne peut pas être ouvert, et comme il n'y a aucune fiche de branchement, je suppose qu'il est branché "en direct" et il faut remonter sur le repiquage sur le faisceau d'origine pour le changer ?? :cry: :cry:

J'ai retrouvé ce qu'a dit pbh:
selon les schémas Prins, ce sont plutôt des transistors MOS que des relais - mais on ne peut vérifier qu'en ouvrant.
Dans les 2 cas:
- la panne peut être un circuit ouvert (inj ess jamais commandé) ou un court-circuit, plus probable avec un MOS (--> inj essence commandé au GPL aussi, avec des effets de dérive possible des cartographies d'injection)
- si le boitier émulateur est ouvrable de façon réversible, c'est réparable.
Mort pour mort, ça vaut le coup d'essayer d'ouvrir l'émulateur ?

_________________
Jeep Grand Cherokee Overland V8 HO an 2002 95000 kms GPL Prins VSI 1
Vous pouvez me trouver lĂ  : www.domainelesjourdis.com


Haut
 Profil  
 
 Sujet du message: Re: demande de conseils
MessagePostĂ©: Jeu 9 Jan 2014 18:48 
Hors ligne
Avatar de l’utilisateur

Inscription: Sam 12 Avr 2008 01:00
Messages: 387
Localisation: Indre-et-Loire
Roule au GPL: Toujours
Installateur GPL: Non
wjeep a écrit:
Mort pour mort, ça vaut le coup d'essayer d'ouvrir l'émulateur ?

Je ne vais pas pouvoir t'aider. :/
Je n'ai pas mis mon nez dans le 806, mes parents l'ont amené à l'installateur GPL, qui a changé l'émulateur par un modèle plus récent, qui ne devrait pas nous refaire le même coup. ;)

PS : je viens de demander le prix du changement à ma mère : 300 € et quelques. Quand même.

_________________
Toyota Prius 2 Sol Pack 2006 GPL (Prins VSI 2 + Flashlube) - Image
Améliorations antérieures : kit plug-in 4 kWh avec convertisseur 4 kW, puis kit plug-in 6 kWh en parallèle de la Ni-MH d'origine


Haut
 Profil  
 
 Sujet du message: Re: demande de conseils
MessagePostĂ©: Ven 10 Jan 2014 22:46 
Hors ligne
Avatar de l’utilisateur

Inscription: Ven 15 Nov 2013 10:55
Messages: 95
Localisation: Gironde, près de Saint Emilion
Roule au GPL: Toujours
Installateur GPL: Non
Diagnostic confirmé : émulateur HS.
J'ai commencé à regarder sur internet, pour en acheter un nouveau, c'est pas très facile à trouver, quelqu'un a un bon site pour commander ça ?

_________________
Jeep Grand Cherokee Overland V8 HO an 2002 95000 kms GPL Prins VSI 1
Vous pouvez me trouver lĂ  : www.domainelesjourdis.com


Haut
 Profil  
 
 Sujet du message: Re: demande de conseils
MessagePostĂ©: Sam 11 Jan 2014 23:11 
Hors ligne
Avatar de l’utilisateur

Inscription: Jeu 16 Juin 2011 20:06
Messages: 176
Localisation: Haguenau
Roule au GPL: Toujours
Installateur GPL: Non
Cest pourtant pas dur à trouver, il ne m'a fallu que 17 secondes, le temps de taper "émulateur prins vsi" dans google, et ça donne ça :
http://www.ebay.fr/sch/sis.html?_nkw=LP ... 1006483895 :D :D :D

J'ai déjà commandé pas mal de pièces chez eux, c'est sans aucun problème :D :D

_________________
Ford Explorer 4.0 AG SGI
Chevrolet Trailblazer Prins VSI


Haut
 Profil  
 
 Sujet du message: Re: demande de conseils
MessagePostĂ©: Lun 13 Jan 2014 10:57 
Hors ligne
Avatar de l’utilisateur

Inscription: Ven 15 Nov 2013 10:55
Messages: 95
Localisation: Gironde, près de Saint Emilion
Roule au GPL: Toujours
Installateur GPL: Non
Merci de me faire passer pour une truffe !! :lol: :lol:

J'avais juste un doute car j'ai commencé mes recherches avec la référence trouvée sur mon émulateur d'origine (180-70024), qui me donnait aussi le 091/71004, j'ai retrouvé des infos (encore grâce à un lien grostoto) et découvert que c'est l'évolution de celui d'origine, mais avec un connecteur.
Mon garagiste m'a également indiqué que le montage du GPL est super propre, avec les faisceaux repiqués sur les connecteurs d'origine et non après avoir coupé les fils (c'est toujours ça !! :D )

Je vais donc commander mes pièces (émulateur et câblage) sur le site "aimablement" :zemin: conseillé par Explorer :la:

_________________
Jeep Grand Cherokee Overland V8 HO an 2002 95000 kms GPL Prins VSI 1
Vous pouvez me trouver lĂ  : www.domainelesjourdis.com


Haut
 Profil  
 
 Sujet du message: Re: demande de conseils
MessagePostĂ©: Lun 13 Jan 2014 12:28 
Hors ligne
Modérateur
Modérateur
Avatar de l’utilisateur

Inscription: Sam 28 Déc 2002 01:00
Messages: 4322
Localisation: Paris
Roule au GPL: Toujours
Installateur GPL: Non
wjeep a écrit:
Diagnostic confirmé : émulateur HS.
Comment ? par qui ?

Je ne vois pas comment on peut installer un système GPL sans couper les fils des injecteurs essence ????? Faudra m'expliquer !

Une fois la panne résolue, vous pourrez essayer d'ouvrir l'émulateur en panne, mais ces trucs là sont souvent noyés dans la résine. Quelqu'un peut confirmer ?

_________________
Scénic 2L BVA + AG SGI
Certains me trouvent rugueux, d'autres ont lu sans modération: le tuto sécurité, à lire avant de poster et avant de poster dans "le garage". Image


Haut
 Profil  
 
 Sujet du message: Re: demande de conseils
MessagePostĂ©: Lun 13 Jan 2014 12:39 
Hors ligne
Avatar de l’utilisateur

Inscription: Ven 15 Nov 2013 10:55
Messages: 95
Localisation: Gironde, près de Saint Emilion
Roule au GPL: Toujours
Installateur GPL: Non
Le système GPL a été raccordé au niveau des connecteurs d'origine, démontage des cosses, soudure du fil et remontage sur le connecteur, testé dans les règles de l'art par mon mécano qui a vérifié tout les câblages un par un, et vérifié tout le circuit essence de la pompe aux injecteurs (démontage de l'injection) pour en constater le non fonctionnement. :cry:

Dès que l'émulateur est changé, j'entreprend une opération à coeur ouvert, ce sera l'occasion de voir les entrailles de la bête :D :D

_________________
Jeep Grand Cherokee Overland V8 HO an 2002 95000 kms GPL Prins VSI 1
Vous pouvez me trouver lĂ  : www.domainelesjourdis.com


Dernière édition par wjeep le Lun 13 Jan 2014 12:44, édité 1 fois.

Haut
 Profil  
 
 Sujet du message: Re: demande de conseils
MessagePostĂ©: Lun 13 Jan 2014 12:46 
Hors ligne
Modérateur
Modérateur
Avatar de l’utilisateur

Inscription: Sam 28 Déc 2002 01:00
Messages: 4322
Localisation: Paris
Roule au GPL: Toujours
Installateur GPL: Non
wjeep a écrit:
démontage des cosses, soudure du fil et remontage sur le connecteur
C'est plutôt démontage du contact, coupure du fil, soudure des 2 fils vers l'émulateur, l'un vers le contact, l'autre sur le fil coupé, remontage du contact,
x8 injecteurs
non ?

Il y aura pas mal de câblage à refaire pour l'installation du nouvel émulateur - qui va le faire ?

_________________
Scénic 2L BVA + AG SGI
Certains me trouvent rugueux, d'autres ont lu sans modération: le tuto sécurité, à lire avant de poster et avant de poster dans "le garage". Image


Haut
 Profil  
 
 Sujet du message: Re: demande de conseils
MessagePostĂ©: Lun 13 Jan 2014 12:51 
Hors ligne
Avatar de l’utilisateur

Inscription: Ven 15 Nov 2013 10:55
Messages: 95
Localisation: Gironde, près de Saint Emilion
Roule au GPL: Toujours
Installateur GPL: Non
Oui, j'avais simplifié pour faire court !!

-- Edit du Lun 13 Jan 2014 12:51 --

La question que je me pose, pas de problème si je monte le nouveau modèle d'émulateur d'un côté, en laissant l'ancien modèle de l'autre (au vu du plan de câblage, je ne pense pas..)

_________________
Jeep Grand Cherokee Overland V8 HO an 2002 95000 kms GPL Prins VSI 1
Vous pouvez me trouver lĂ  : www.domainelesjourdis.com


Haut
 Profil  
 
 Sujet du message: Re: demande de conseils
MessagePostĂ©: Lun 13 Jan 2014 13:48 
Hors ligne
Modérateur
Modérateur
Avatar de l’utilisateur

Inscription: Sam 28 Déc 2002 01:00
Messages: 4322
Localisation: Paris
Roule au GPL: Toujours
Installateur GPL: Non
Je ne pense pas non plus, mais je n'ai pas plus d'infos que vous.

NB: vu le temps qu'on passe à vous donner un coup de main, peut-être pourriez-vous enrichir le forum en répondant aux questions posées, et/ou avec quelques recopies d'écran (Bexprins) montrant ce qui se passe quand un émulateur est HS ? Donnant-donnant...

Merci d'avance !

_________________
Scénic 2L BVA + AG SGI
Certains me trouvent rugueux, d'autres ont lu sans modération: le tuto sécurité, à lire avant de poster et avant de poster dans "le garage". Image


Haut
 Profil  
 
 Sujet du message: Re: demande de conseils
MessagePostĂ©: Lun 13 Jan 2014 14:03 
Hors ligne
Avatar de l’utilisateur

Inscription: Ven 15 Nov 2013 10:55
Messages: 95
Localisation: Gironde, près de Saint Emilion
Roule au GPL: Toujours
Installateur GPL: Non
Je crois avoir répondu à un maximum de questions quand je le peux (y compris dans d'autres sujets) :??: , je récupère la voiture ce soir, je fais des copies d'écran (si j'y arrive !!) dès que possible, mais mes connaissances du GPL jusqu'à ce jour étaient inexistantes, je participe (ou ai participé) à plusieurs forums (en tant que modo aussi), donc je pense savoir renvoyer l'ascenseur chaque fois que j'en ai l'occasion !!

_________________
Jeep Grand Cherokee Overland V8 HO an 2002 95000 kms GPL Prins VSI 1
Vous pouvez me trouver lĂ  : www.domainelesjourdis.com


Haut
 Profil  
 
 Sujet du message: Re: demande de conseils
MessagePostĂ©: Lun 13 Jan 2014 15:36 
Hors ligne
Modérateur
Modérateur
Avatar de l’utilisateur

Inscription: Sam 28 Déc 2002 01:00
Messages: 4322
Localisation: Paris
Roule au GPL: Toujours
Installateur GPL: Non
Pour les recopies d'écran, Alt-prtscr + coller dans paint - ou bien pdfcreator si compatible Bexprins.
Relisez mes 2 derniers posts (12:28 - 12:46), je crois qu'on peut y trouver 2 questions sans réponse ;-)
Mes questions sur les mesures électriques sont aussi restées sans réponse je crois. Ce serait intéressant de savoir comment diagnostiquer simplement avec un multimètre un émulateur en panne quand il est encore en place - avec une mesure de tension moteur allumé ou peut-être même avec une simple mesure de résistance moteur éteint (si émulateur en court-circuit).

_________________
Scénic 2L BVA + AG SGI
Certains me trouvent rugueux, d'autres ont lu sans modération: le tuto sécurité, à lire avant de poster et avant de poster dans "le garage". Image


Haut
 Profil  
 
 Sujet du message: Re: demande de conseils
MessagePostĂ©: Lun 13 Jan 2014 16:18 
Hors ligne
Avatar de l’utilisateur

Inscription: Ven 15 Nov 2013 10:55
Messages: 95
Localisation: Gironde, près de Saint Emilion
Roule au GPL: Toujours
Installateur GPL: Non
Je n'avais pas vu la 2eme question sur qui va faire le remplacement, normalement le garagiste
Je n'ai fait que peu de mesures électriques étant donné que je suis très mal équipé pour ça, et vu l'accessibilité :ouin: , c'est pour ça que j'ai porté la voiture chez un pro et payé pour qu'il le fasse à ma place (manque de temps aussi), donc pas vu la méthode employée :cry:
Pour déterminer avec certitude que l'émulateur est en panne, je crois qu'il a démonté la rampe et les injecteurs pour s'assurer qu'ils ne fonctionnaient pas, et c'est tout le banc n°2 qui est touché (cylindres 2,4,6,8), en réalité, à l'essence, le moteur tourne sur 4 cylindres :crazy: :eek: (ce qui explique la réaction des sondes lambda du même banc), je pense que sur un 4 cylindres, cela aurait été plus flagrant :icon3.gif: , le moteur tourne toujours comme une horloge au GPL.
Dans les infos Ă  remonter (Ă  rajouter dans la rubrique "boutique en ligne" ?):
- j'ai commandé mon interface Prins chez CCY en Pologne, pas cher, envoyée une heure après ma commande, fonctionne parfaitement au premier coup;
- j'ai commandé mon soft Bexprins Business chez : :www.lpgshop.co.uk envoi immédiat du contenu, mais il faut attendre quelques heures pour avoir le code licence fourni par Bexprins

- j'ai oublié le dernier, émulateur commandé sur Ebay chez roedergmbh2010, 70,45€ livré, faisceau inclus, en attente de livraison (jeudi normalement)

_________________
Jeep Grand Cherokee Overland V8 HO an 2002 95000 kms GPL Prins VSI 1
Vous pouvez me trouver lĂ  : www.domainelesjourdis.com


Haut
 Profil  
 
 Sujet du message: Re: demande de conseils
MessagePostĂ©: Lun 13 Jan 2014 16:26 
Hors ligne
Modérateur
Modérateur
Avatar de l’utilisateur

Inscription: Sam 28 Déc 2002 01:00
Messages: 4322
Localisation: Paris
Roule au GPL: Toujours
Installateur GPL: Non
:top: :top: :top:

CCY: lĂ  ?: http://ccy.com.pl/infusions/twb_shoppin ... =14&sName=
On peut commander sans parler le polonais ?

Rappelez-moi de mettre à jour gpl.forumeurs.fr/liste-sites-internet-vendant-des-pieces-detachees-gpl-t1330.html après réception de l'émulateur - si j'oublie.

Merci !

_________________
Scénic 2L BVA + AG SGI
Certains me trouvent rugueux, d'autres ont lu sans modération: le tuto sécurité, à lire avant de poster et avant de poster dans "le garage". Image


Haut
 Profil  
 
 Sujet du message: Re: demande de conseils
MessagePostĂ©: Mer 29 Jan 2014 13:17 
Hors ligne
Avatar de l’utilisateur

Inscription: Ven 15 Nov 2013 10:55
Messages: 95
Localisation: Gironde, près de Saint Emilion
Roule au GPL: Toujours
Installateur GPL: Non
Oui, c'est bien celui-là, j'ai juste activé la traduction automatique avec Chrome, c'est suffisamment clair pour pouvoir commander, et vu le taux de change (1 zloty = 0.24€), ça met l'interface à moins de 25€ livrée :top:
Pour le soft Bexprins, il faut compter aux environs de 85€ selon le site, sur celui que j'ai choisi, on charge le soft directement sur le site alors que le site Bexprins envoie un CD par la poste, donc frais d'envoi en plus, l'activation est la même pour les deux (pour un seul PC)

-- Edit du Mer 29 Jan 2014 13:17 --

Je reprend le fil de mon "aventure" :
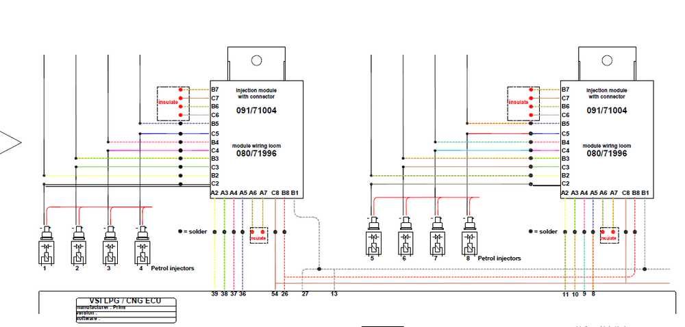
j'ai bien reçu le nouvel émulateur ref 091/71004 qui remplace l'ancien ref 180/70024.
Une question se pose au montage :

Voici mon cablâge d'origine :sur la Jeep :

PRINS injmod 70024 (1).pdf [146.02 Kio]
Téléchargé 504 fois


Voici le plan de cablâge d'origine Prins:
plan cablâge origine.jpg
plan cablâge origine.jpg [ 44.23 Kio | Vu 5310 fois ]


Et le plan du nouveau modèle avec connecteur :
plan nouveau cablâge.jpg
plan nouveau cablâge.jpg [ 43.08 Kio | Vu 5310 fois ]


Le soucis, le nouvel émulateur et le nouveau faisceau que j'ai reçu sont prévus pour 4 ou 6 cylindres mais je n'ai pas les bonnes couleurs de fils pour connecter l'injecteur n°8 :
-pour les injecteurs n°2, 4 et 6, pas de problème, j'ai les bonnes couleurs sur le faisceau et le connecteur :
- inj n°2 : fils n°38 vert pin C3 --- vert/jaune pin A3 vers ECU VSI ---pin B3 vers ECU essence
- inj n°4 : fils n°36 bleu pin C5 --- bleu/jaune pin A5 vers ECU VSI ---pin B5 vers ECU essence
- inj n°6 : fils n°10 marron pin C7 --- marron/jaune pin A7 vers ECU VSI ---pin B7 vers ECU essence
Par contre, je n'ai pas :
- n°8 : fils n° 8 rouge et 2 x rouge /jaune
Sur le nouveau faisceau, il me reste 3 fils :
- pin C2, fil blanc, A2 et B2 fil blanc/jaune
- pin C4, fil rose, pin A4 et B4 fil rose/jaune
- pin C6, fil gris, pin A6 et B6 fil gris/jaune

Ma question, je voudrais relier l'injecteur n°8 sur n'importe quel fil restant , à condition bien sûr de relier les fils de l'ancien faisceau au bon endroit !!, par exemple :
- inj n°8 : fil rouge n°8 sur pin C2 (fil blanc inj), fil rouge/jaune sur pinA2 (fil blanc/jaune ECU VSI) et pin B2 vers ECU essence
Des objections ??
Sinon, ça voudrait dire que je dois changer mes 2 émulateurs, avec des cablâges qui alimenteraient 3 injecteurs du banc de cylindre n°1 et 1 injecteur du banc de cylindre n°2, et vice-versa.

Je sais, ça fait mal à la tête, je fournirai l'aspirine au courageux qui va me répondre !!!! :top:

_________________
Jeep Grand Cherokee Overland V8 HO an 2002 95000 kms GPL Prins VSI 1
Vous pouvez me trouver lĂ  : www.domainelesjourdis.com


Haut
 Profil  
 
 Sujet du message: Re: demande de conseils
MessagePostĂ©: Mer 29 Jan 2014 15:53 
Hors ligne
Modérateur
Modérateur
Avatar de l’utilisateur

Inscription: Sam 28 Déc 2002 01:00
Messages: 4322
Localisation: Paris
Roule au GPL: Toujours
Installateur GPL: Non
Et si vous demandiez la doc de ce que vous avez acheté au vendeur pour vérifier que ce que vous proposez (qui n'est pas stupide) va bien ?

_________________
Scénic 2L BVA + AG SGI
Certains me trouvent rugueux, d'autres ont lu sans modération: le tuto sécurité, à lire avant de poster et avant de poster dans "le garage". Image


Haut
 Profil  
 
 Sujet du message: Re: demande de conseils
MessagePostĂ©: Mer 29 Jan 2014 16:01 
Hors ligne
Avatar de l’utilisateur

Inscription: Ven 15 Nov 2013 10:55
Messages: 95
Localisation: Gironde, près de Saint Emilion
Roule au GPL: Toujours
Installateur GPL: Non
J'ai la réponse de la part des Ets Chatel qui m'ont très aimablement conseillé et j'ai donc tout juste (pour une fois !!) :D

On peut en effet faire les branchements dans l'ordre que l'on veut, sans tenir compte des couleurs de fils, chaque connexion (injecteur, ECU essence et ECU GPL) étant distincte des autres, il faut juste bien repérer ses fils !!!

Je garde donc mon aspirine pour plus tard.

_________________
Jeep Grand Cherokee Overland V8 HO an 2002 95000 kms GPL Prins VSI 1
Vous pouvez me trouver lĂ  : www.domainelesjourdis.com


Haut
 Profil  
 
 Sujet du message: Re: demande de conseils
MessagePostĂ©: Mer 29 Jan 2014 16:20 
Hors ligne
Modérateur
Modérateur
Avatar de l’utilisateur

Inscription: Sam 28 Déc 2002 01:00
Messages: 4322
Localisation: Paris
Roule au GPL: Toujours
Installateur GPL: Non
La question est: faut-il faire attention à ne pas inverser les connexions Bn et Cn (sur chaque "fil coupé") ? Voire même vérifier à l'ohmmètre qu'il n'y a pas d'inversion au moment du câblage.

_________________
Scénic 2L BVA + AG SGI
Certains me trouvent rugueux, d'autres ont lu sans modération: le tuto sécurité, à lire avant de poster et avant de poster dans "le garage". Image


Haut
 Profil  
 
 Sujet du message: Re: demande de conseils
MessagePostĂ©: Ven 7 FĂ©v 2014 18:40 
Hors ligne
Avatar de l’utilisateur

Inscription: Ven 15 Nov 2013 10:55
Messages: 95
Localisation: Gironde, près de Saint Emilion
Roule au GPL: Toujours
Installateur GPL: Non
Le nouveau faisceau est entièrement repéré, sur la prise et sur chaque fil, divisé en 2 avec le côté ECU GPL regroupé (pins Ax) il suffit donc d'être très attentif au montage.
J'ai 3 injecteurs qui ont le même code couleur comme indiqué plus tôt, il suffit de relier correctement le dernier

-- Edit du Ven 7 Fév 2014 18:39 --

Le nouvel émulateur a été monté en début de semaine, mais nouveau problème :

le moteur ratatouille toujours, mais maintenant Ă  l'essence et au GPL :mad:
J'ai maintenant un code erreur P0206 à l'essence : disfonctionnement circuit injecteur cylindre n°6
J'ai branché mon logiciel Bexprins : lorsque je tourne à l'essence, j'ai des valeurs Inj-in et Inj-out du cylindre n°6 identiques à celles des autres cylindres qui s'affichent, mais quand je bascule au GPL, les valeurs affichent 0.08 pour inj-in et inj-out et ne varient pas à l'accélération, et pas de code erreur au GPL !! :icon6.gif:
On a testé au garage sur le cylindre n°6 :
- l'injecteur GPL et l'injecteur essence sont bien alimentés électriquement, l'injecteur GPL semble fonctionner correctement au GPL et se couper au basculement à l'essence
- bougie et bobine OK, l'injecteur essence est neuf et les branchements du nouvel émulateur ont été vérifiés et sont conformes au plan de montage (seul changement : comme dit plus tôt, adaptation des couleurs du faisceau du cylindre n°8 entre l'ancien faisceau et le nouveau)
Le montage de ce nouvel émulateur serait il incompatible avec l'ancien, problème du boîtier lui-même, modif à faire dans le branchement ?
Je ne sais plus où chercher et je viens de laisser 1100 € chez le garagiste depuis 15 jours en recherche de panne avant et après montage du nouveau boitier (et encore, il ne m'a pas compté toutes les heures depuis le début !!) + les pièces.
Y a pas à dire, c'est super économique le GPL :mad:

_________________
Jeep Grand Cherokee Overland V8 HO an 2002 95000 kms GPL Prins VSI 1
Vous pouvez me trouver lĂ  : www.domainelesjourdis.com


Haut
 Profil  
 
Afficher les messages postĂ©s depuis:  Trier par  
Poster un nouveau sujet RĂ©pondre au sujet  [ 155 messages ]  Aller Ă  la page PrĂ©cĂ©dente  1, 2, 3, 4, 5, 6, 7, 8  Suivante

Heures au format UTC + 1 heure


Qui est en ligne

Utilisateurs parcourant ce forum: Aucun utilisateur enregistré et 2 invités


Vous ne pouvez pas poster de nouveaux sujets
Vous ne pouvez pas répondre aux sujets
Vous ne pouvez pas éditer vos messages
Vous ne pouvez pas supprimer vos messages
Vous ne pouvez pas joindre des fichiers

Rechercher:
Aller Ă :  


Tous les messages postés sur ce forum sont sous la responsabilité des inscrits qui les ont écrits,
non du webmaster-administrateur ou des modérateurs-organisateurs, à l'exception de leurs propres messages.

Réalisé par : Franck M. - Copie même partielle interdite © 2008-2015

Powered by phpBB © 2008 Frost & Ika